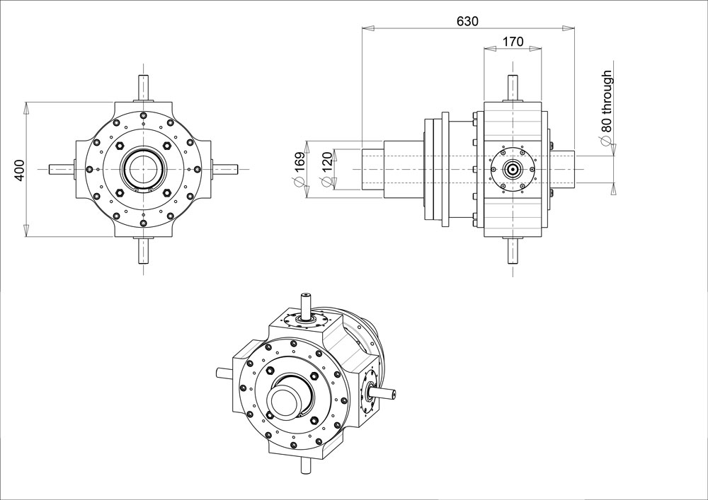
技術說明
球錐分度器是球錐凸輪的發展。從動輪軸和從動輪軸會聚在球體的中心,作為球錐凸輪。
在下面的視頻中,顯示了具有 90 度軸的球錐分度器的基本配置。
球錐分度器的典型應用
球錐分度器可用于在兩條傳輸線之間傳輸對象并將其重新定向至 360 度。
下面的視頻顯示了具有 3 個輸出的球錐分度器:兩個輸出旋轉 90 度,第三個輸出旋轉 180 度。

好處
球錐分度器提供:? 在 更小的空間內獲得更好的性能? 提高生產率? - 在取放過程中沒有間隙和精確的可重復性? - 提高了可靠性? - 盒裝解決方案具有內部密封潤滑,無塵
定制
球形分度器可以配置許多從動輪、運動規律和自由定義拾取和放置點。





2384326522